22.07.2024
Confectionery
Turnkey
Automatic cream preparation station for cookies filling
Within the framework of the project, our team successfully implemented:
- Collection of initial data, restrictions, requirements for system design at the customer’s site;
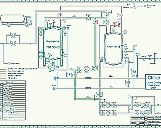
- Development of the P&ID and optimization of the technological process;
- Development of 3D equipment layouts to ensure proper integration into existing site limitations;
- “Turnkey” implementation of the project with integration into the existing process control system.
The main components of the installation:
- Unit for oil preparation and automatic dosing;
- Sugar powder dosing (existing system)
- Unit for lecithin preparation and automatic dosing;
- Mixer for cream preparation;
- Pumps for transferring cream to buffer tanks and for pumping cream to the crystallization lines with fillers in automatic cycle;
- Water heating unit to maintaining a certain temperature in different parts of the technological process;
- Shutoff valves;
- Instrumentation;
- Control cabinets;
- Stainless steel service platform.
We apply quality equipment in project, like: valves from Inoxpa (Spain) – https://www.inoxpa.com/. Pumps – volumetric lobe pumps from Waukesha (USA) – https://www.spxflow.com/ , Inoxpa (Spain) – https://www.inoxpa.com/. Instrumentation (mass flow meters, level sensors, pressure sensors, temperature sensors) from – Endress & Hauser (Switzerland) – https://www.endress.com/ . All technological processes are fully automated and integrated into the existing Gerstenberg Schröder control system (Germany) – https://www.spxflow.com/gerstenberg-schroder/. The new control panels in the hygienic version are assembled on the Siemens components (Germany).






