15.10.2024
Как
Новости
P&ID схема для CIP станций. Что для этого нужно?
Особенности:
Централизованные CIP-системы наиболее эффективны на небольших предприятиях, где расстояние между станцией и объектами мойки небольшое. Централизованные системы также распространены на относительно крупных предприятиях, где все операции CIP выполняются из помещения с одной или группой CIP станций из которого моющие средства доставляются на различные объекты мойки.
Децентрализованные системы CIP более распространены на крупных предприятиях, где расстояния от центральной станции CIP до объектов мойки могут быть очень большими. Децентрализованная CIP-система использует несколько распределенных CIP-станций, расположенных рядом с объектами мойки.
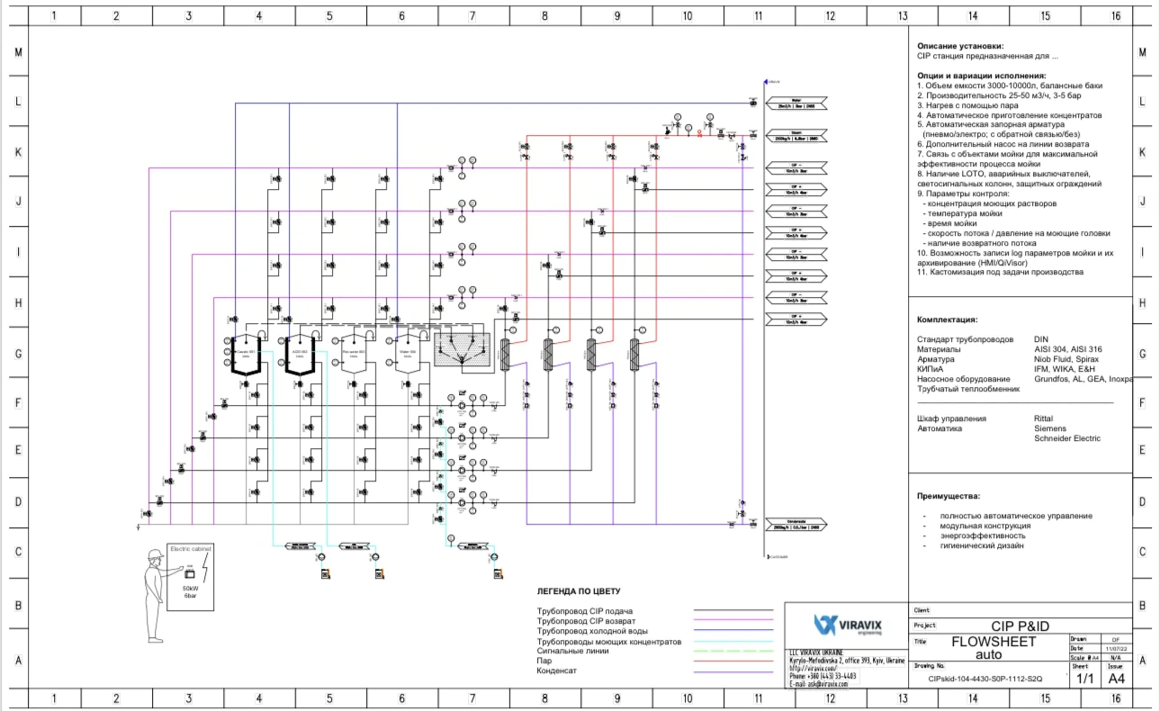
Опции и вариации исполнения:
- Объем емкости 1000-4000л (6000-10000л для многоконтурных)
- Производительность 10-30 м3/ч (30-50 м3/ч для многоконтурных), 3-5 бар
- Нагрев с помощью электрических тенов, горячей воды, пара
- Автоматическое приготовление концентратов
- Автоматическая запорная арматура (пневмо/электро; с обратной связью/без)
- Дополнительный насос на линии возврата
- Связь с объектами мойки для максимальной эффективности процесса мойки
- Наличие LOTO, аварийных выключателей, светосигнальных колонн, защитных ограждений
- Параметры контроля:
a. концентрация моющих растворов
b. температура мойки
c. время мойки
d. скорость потока / давление на моющие головки
e. наличие возвратного потока
10. Возможность записи log параметров мойки и их архивирование (HMI/QiVisor)
Какая информация необходима для проектирования:
- Типы оборудования и трубопроводов:
Определите, какие типы оборудования и трубопроводов нужно очищать с помощью CIP станции. Это может быть различное оборудование, такое как резервуары, насосы, смесители, трубы и другие элементы.
2. Размеры и емкости:
Укажите размеры и емкости оборудования и трубопроводов, чтобы подобрать соответствующие емкости и системы для проведения CIP процедур.
3. Требования к производительности:
Определите требования к производительности CIP станции, то есть сколько времени и ресурсов необходимо для проведения одной циклической очистки. Это поможет выбрать подходящие емкости, насосы и системы распределения растворов.
4. Типы загрязнений:
Учитывайте типы загрязнений, с которыми столкнется CIP система. Например, для удаления белковых отложений может потребоваться более агрессивный моющий раствор, чем для удаления минеральных отложений.
5. Системы управления и автоматизации:
Рассмотрите необходимость систем управления и автоматизации CIP процесса. Это может включать в себя автоматическое управление расходом воды, моющих растворов, температурой и временем экспозиции.
6. Соответствие стандартам:
Убедитесь, что выбранная CIP станция соответствует применимым стандартам в вашей отрасли, таким как стандарты гигиены, безопасности и экологические нормативы.
7. Бюджет:
Определите бюджет, который вы готовы выделить на покупку CIP станции, и найдите оптимальное сочетание цены и качества, учитывая ваши требования и предпочтения.
Эта информация поможет вам выбрать подходящую CIP станцию, которая наилучшим образом соответствует вашим потребностям и требованиям производства.

